На 5000-летней керамике нашли остатки растительной пищи
Ученые исследовали артефакты из поселения культуры воронковидных кубков

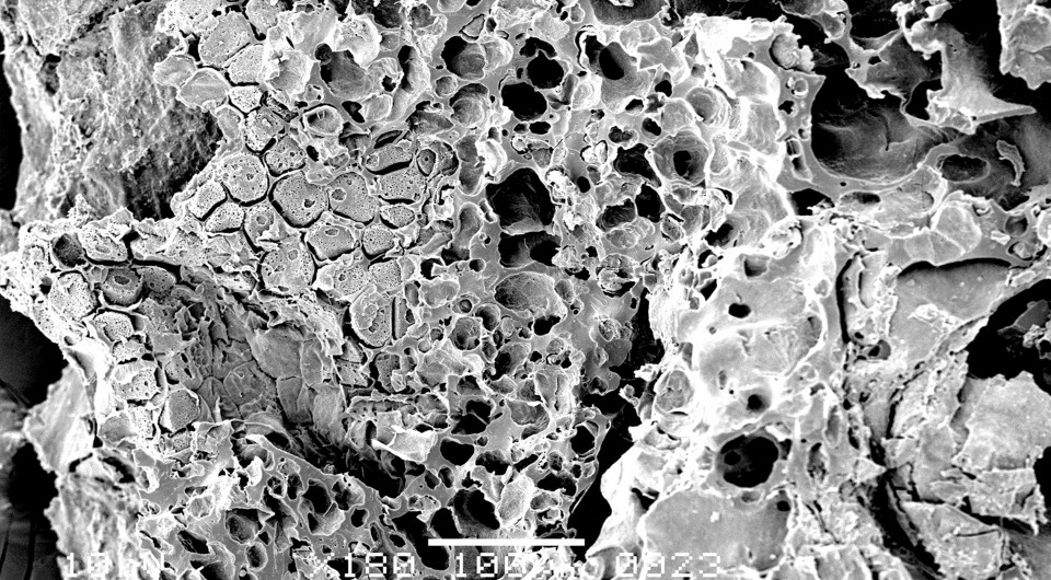
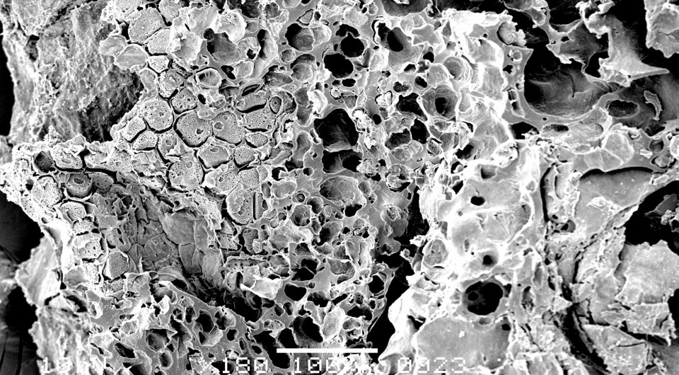
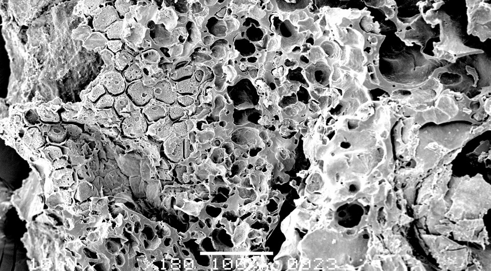
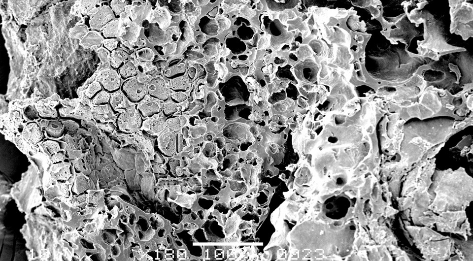
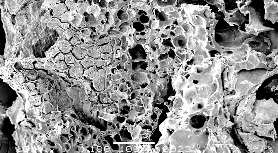
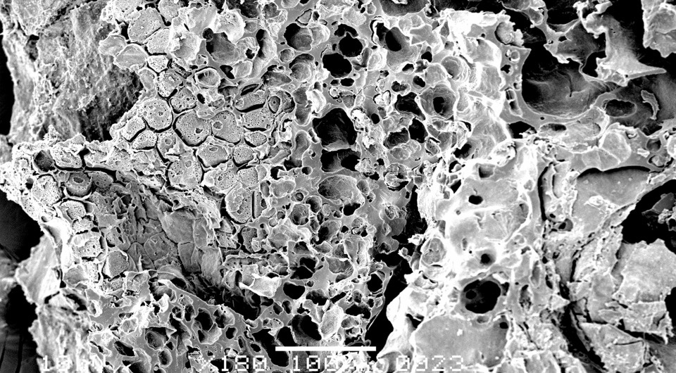
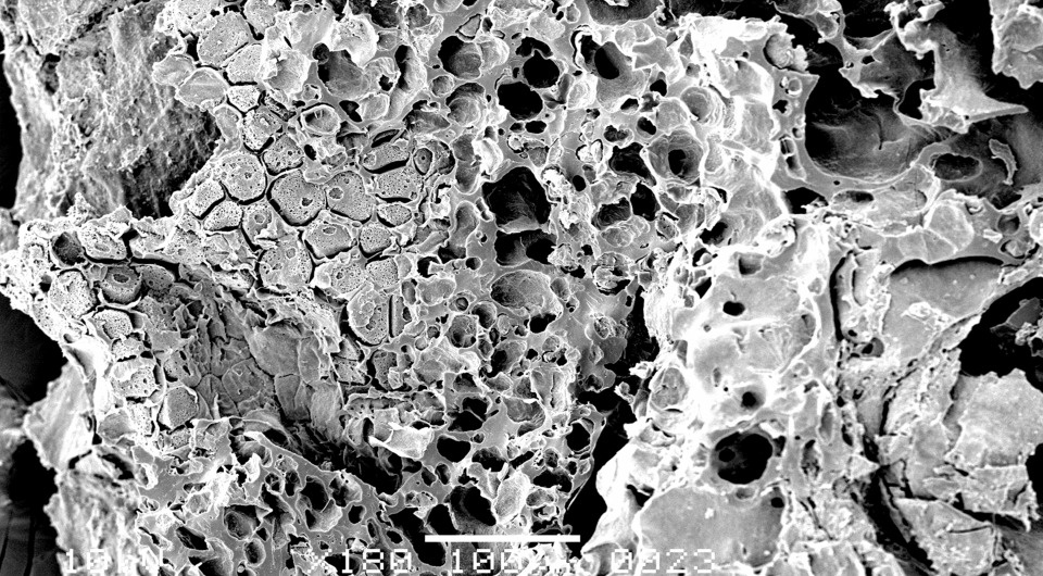
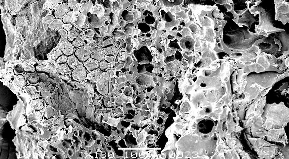
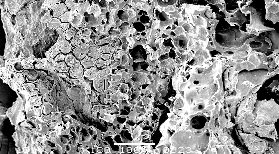
Немецкие и нидерландские ученые исследовали 21 фрагмент керамической посуды, обнаруженной на поселении культуры воронковидных кубков, которое существовало около 3000 года до нашей эры. Благодаря микроскопическому и химическим анализам они выявили остатки растительной пищи древних людей. Среди прочего на черепках сохранились фрагменты зерен недозрелого ячменя и пророщенной пшеницы. Об этом сообщается в статье, опубликованной в журнале PLoS ONE.
Примерно шесть тысяч лет назад по Европе начала распространяться археологическая культура воронковидных кубков, получившая свое название из-за характерных керамических кубков с воронкообразной шейкой. Ее памятники, включая мегалитические сооружения, сосредоточены в Центральной и Восточной Европе, а также в южных районах Скандинавии. Носители культуры воронковидных кубков в основном занимались земледелием и животноводством, а охоте, собирательству и рыболовству отводили вспомогательную роль. Свои орудия они продолжали в основном изготавливать из камня, хотя иногда металлические предметы все же встречаются на их памятниках. Археологические исследования также показали, что эти люди уже использовали в своей деятельности тягловых животных.
